Zum Hauptinhalt springen Zur Suche springen Zur Hauptnavigation springen
Ihr Druckluft-Onlineshop – seit über 15 Jahren
Kompetente Fachberatung
Über 400.000 zufriedene Kunden
Ersatzteil-Service

Klemmbackenpaar 32mm, Baugröße 3, schwere Baureihe Polypropylen

Passendes Zubehör

Das könnte Sie auch interessieren

DF Preisgarantie: Wir ziehen mit!

Sparen Sie sich den Vergleich: Sollten Sie einen unserer Artikel bei einem deutschen Wettbewerber (online oder im Ladengeschäft) günstiger entdecken, passen wir unser Angebot an. Sie zahlen bei uns garantiert nur den Mitbewerberpreis.

Um die Preisgarantie in Anspruch zu nehmen, füllen Sie bitte unser Preisgarantie-Formular aus.

Produktinformationen "Klemmbackenpaar 32mm, Baugröße 3, schwere Baureihe Polypropylen"

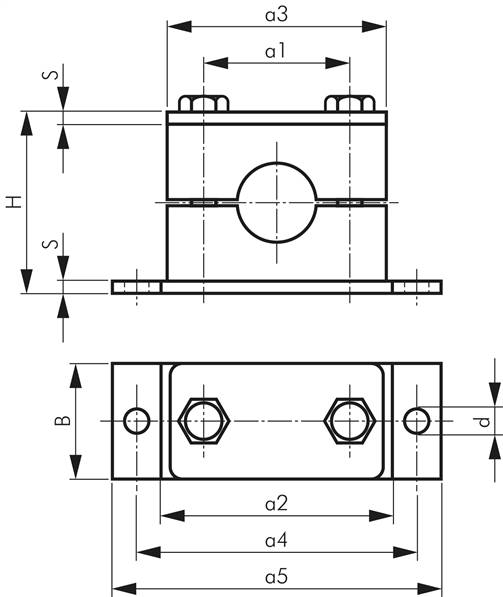
GR332SKP Klemmbackenpaar 32mm, Baugröße 3, schwere Baureihe Polypropylen

Weitere Eigenschaften:

WerkstoffPolypropylen
BaugrößeBaugröße 3, schwere Baureihe
Rohr Ø außen (mm)32
H (mm)76
B (mm)30
a1 (mm)60
a2 (mm)100
a3 (mm)85
a4 (mm)112
a5 (mm)140
S (mm)8
d (mm)11
Gewicht65 g / Stk.

Herstellerdaten

DF Druckluft-Fachhandel GmbH
Adresse: Hewlett-Packard-Straße 1, 71083 Herrenberg
E-Mail: info@druckluft-fachhandel.de

0 von 0 Bewertungen

Durchschnittliche Bewertung von 0 von 5 Sternen

Bewerten Sie dieses Produkt!

Teilen Sie Ihre Erfahrungen mit anderen Kunden.


Für Sie ausgesucht

Andere Kunden kauften auch